Translate

Download 4r55e Transmission Diagram Library Binding

Read 4r55e Transmission Diagram rtf





  • Read Online Alero Engine Diagram Reader
  • Download Karakuri.How.To.Make.Mechanical.Paper.Models.That.Move Library Binding
  • Read Workforce Tile Saw Manual Thd250 Audio CD
  • Download Sunpro Sensor Probe Cp9085 Manual Library Binding
  • Read Catholic Mass Worship Aid Template Kindle Editon
  • Read Online Power-Of-Logic-Solutions-Manual Hardcover
  • Read Online Plan Regulador Iquique Pdf Doc
  • Read Philistines At The Hedgerow : Passion And Property In The Hamptons PDF
  • Read Online 2009 International Building Code Doc
  • Read Exercises For Weather And Climate Answer Key Paperback
  • Read 2003 Ford Taurus Gear Selector Audio CD
  • Read E International Relations mobipocket
  • Read Simulation Modeling And Analysis Solutions Manual Pdf Audio CD
  • Download Bait Of Satan Study Guide mobipocket
  • Read Online Mac Pro Cosmetics Training Manual Bible Deluxe Edition Doc
  • Download Canada S Indigenous Constitution PDF
  • Download Jacob The Baker Gentle Wisdom For A Complicated World By Noah Benshea Reader
  • Read Online Scholastic Success With Grammar, Grade 6: Workbook With Answer Keys (2002 Copyright) Doc
  • Read Online Pre Intermediate English Test Pdf Kindle Editon
  • Read Online Statistics A Guide To The Unknown Hardcover

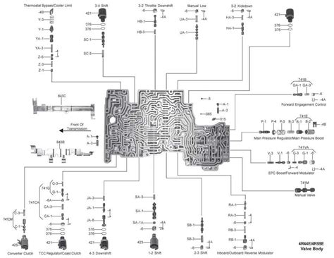
  • 4r55e Transmission Diagram

    4r55e Transmission Diagram

    4r55e Transmission Diagram


    0 Response to "Download 4r55e Transmission Diagram Library Binding"

    Post a Comment